
NK PLUS
- 고품질 저소음 기어드모터
- NK PLUS MOTOR (남강 자사모터), 효성모터, 하이젠모터 적용
- IEC 플랜지, 라인파워 타입 등으로 다양한 활용 가능
- 고강성. 고토크
- 빠른 납기 및 철저한 AS
| 번호 | 제품명 | 모델명 | 감속비 | 용량 | 2D CAD | 3D CAD | 비고 | |
|---|---|---|---|---|---|---|---|---|
| 61 | 5.5KW | NV235 | 40~60 | 7.5HP | 2D CAD | 수직 | ||
| 62 | 5.5KW | NV270 | 60~120 | 7.5HP | 2D CAD | 수직 | ||
| 63 | 7.5KW | NH181 | 3~10 | 10HP | 2D CAD | 수평 | ||
| 64 | 7.5KW | NH205 | 15~30 | 10HP | 2D CAD | 수평 | ||
| 65 | 7.5KW | NH235 | 30~75 | 10HP | 2D CAD | 수평 | ||
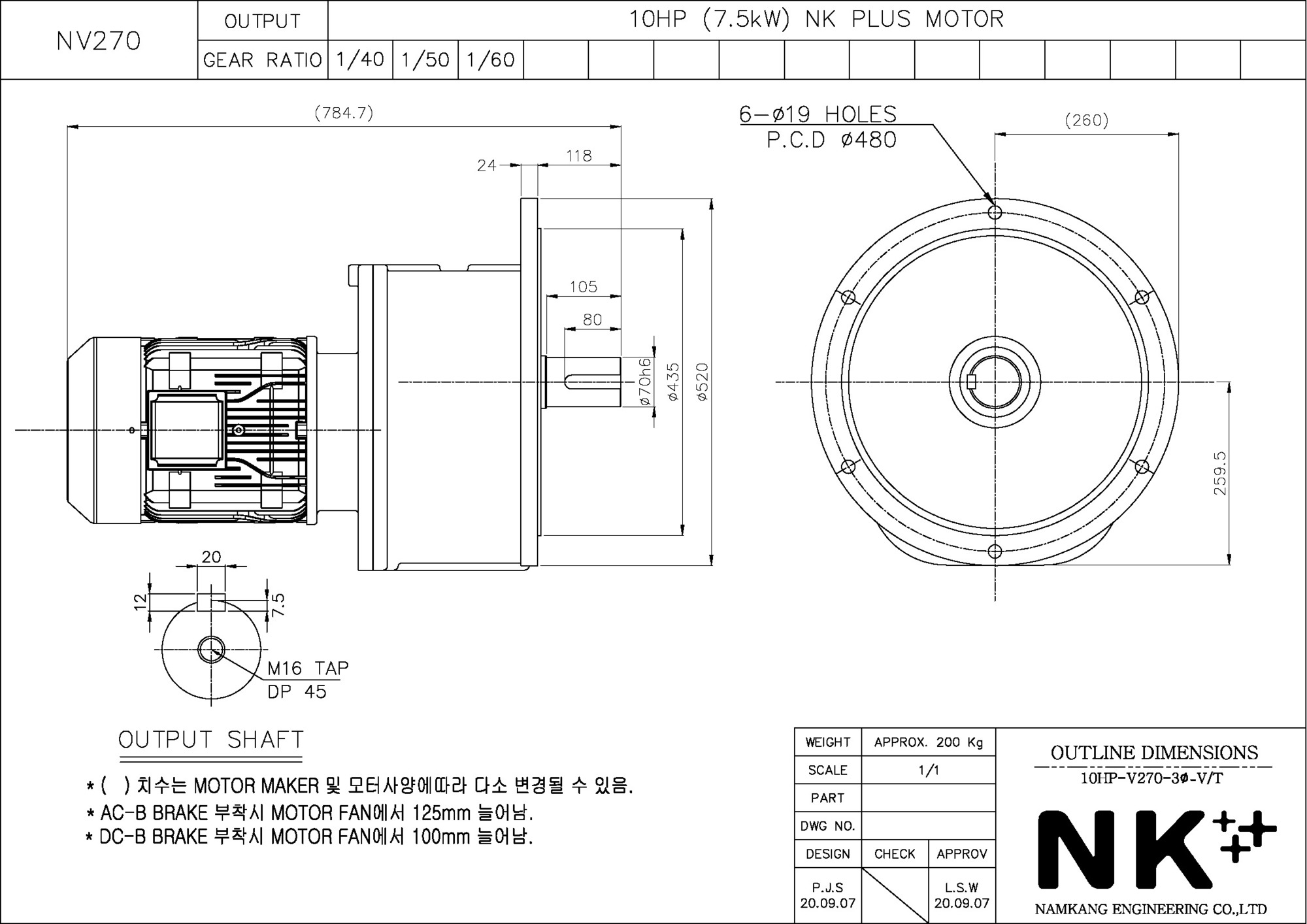
| 66 | 7.5KW | NH270 | 40~60 | 10HP | 2D CAD | 수평 | ||
| 67 | 7.5KW | NV181 | 3~10 | 10HP | 2D CAD | 수직 | ||
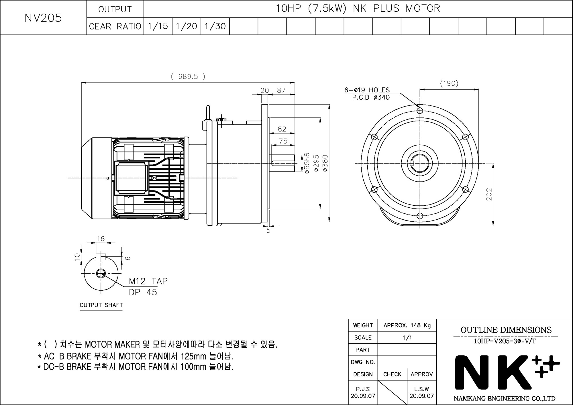
| 68 | 7.5KW | NV205 | 15~30 | 10HP | 2D CAD | 수직 | ||
| 69 | 7.5KW | NV235 | 30~75 | 10HP | 2D CAD | 수직 | ||
| 70 | 7.5KW | NV270 | 40~60 | 10HP | 2D CAD | 수직 |
