
효성모터 부착형
- 고품질 저소음 기어드모터
- NK PLUS MOTOR (남강 자사모터), 효성모터, 하이젠모터 적용
- IEC 플랜지, 라인파워 타입 등으로 다양한 활용 가능
- 고강성. 고토크
- 빠른 납기 및 철저한 AS
- 뛰어난 효율 및 내구성
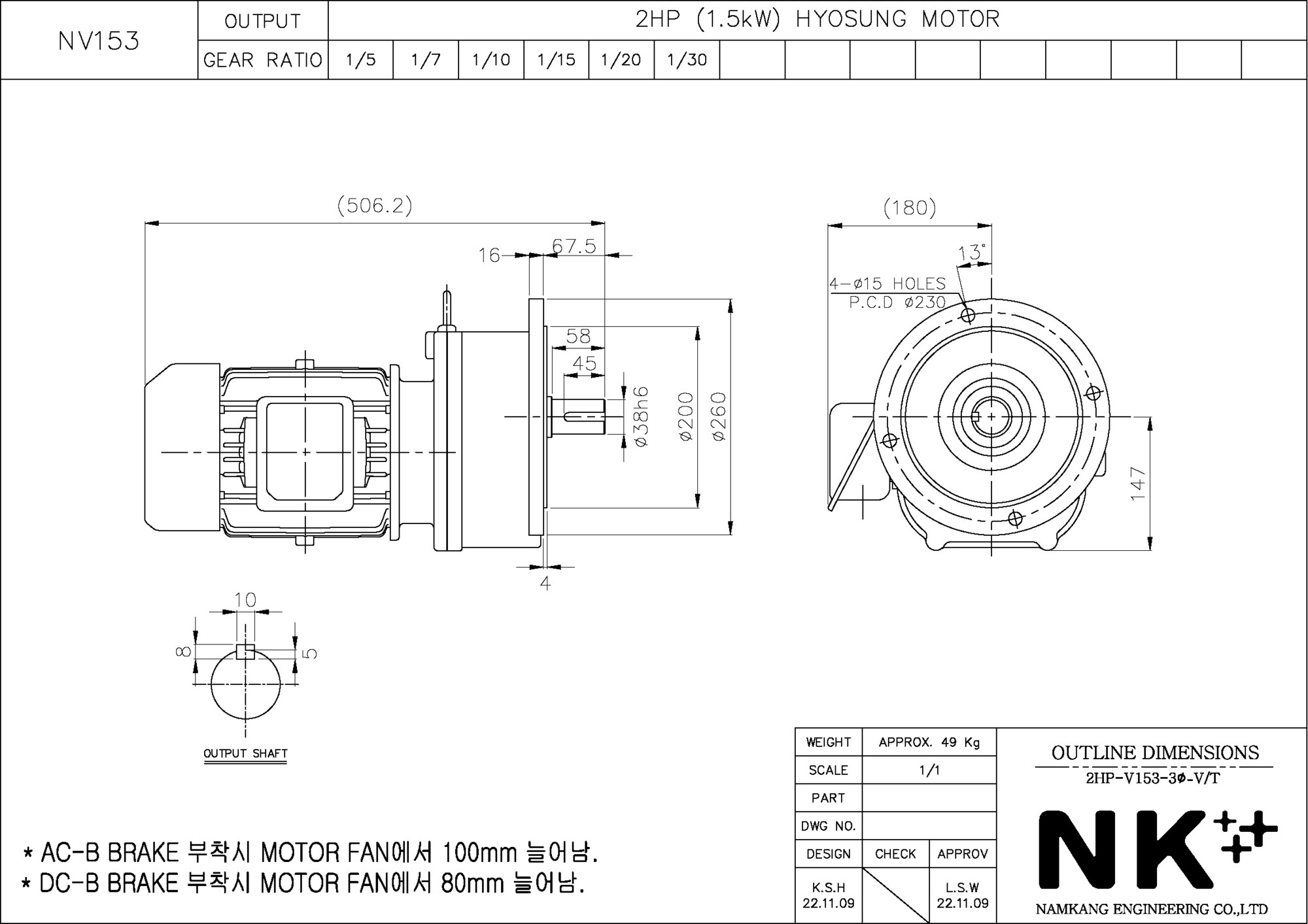
| 번호 | 제품명 | 모델명 | 감속비 | 용량 | 2D CAD | 3D CAD | 비고 | |
|---|---|---|---|---|---|---|---|---|
| 21 | 1.5KW | NV153+NH181 | 150~200 | 2HP | 2D CAD | 수평 | ||
| 22 | 1.5KW | NV153+NH205 | 300 | 2HP | 2D CAD | 수평 | ||
| 23 | 1.5KW | NV153 | 5~30 | 2HP | 2D CAD | 수직 | ||
| 24 | 1.5KW | NV172 | 40~120 | 2HP | 2D CAD | 수직 | ||
| 25 | 1.5KW | NV205 | 90 | 2HP | 2D CAD | 수직 | ||
| 26 | 1.5KW | NV235 | 100~120 | 2HP | 2D CAD | 수직 | ||
| 27 | 1.5KW | NV153+NV181 | 150~200 | 2HP | 2D CAD | 수직 | ||
| 28 | 1.5KW | NV153+NV205 | 300 | 2HP | 2D CAD | 수직 | ||
| 29 | 2.2KW | NH172 | 5~30 | 3HP | 2D CAD | 수평 | ||
| 30 | 2.2KW | NH181 | 40~120 | 3HP | 2D CAD | 수평 | ||
| 31 | 2.2KW | NH205 | 60~120 | 3HP | 2D CAD | 수평 | ||
| 32 | 2.2KW | NH235 | 90~120 | 3HP | 2D CAD | 수평 | ||
| 33 | 2.2KW | NH270 | 120 | 3HP | 2D CAD | 수평 | ||
| 34 | 2.2KW | NV172+NH270 | 150~300 | 3HP | 2D CAD | 수평 | ||
| 35 | 2.2KW | NV172 | 5~30 | 3HP | 2D CAD | 수직 | ||
| 36 | 2.2KW | NV181 | 40~120 | 3HP | 2D CAD | 수직 | ||
| 37 | 2.2KW | NV205 | 60~120 | 3HP | 2D CAD | 수직 | ||
| 38 | 2.2KW | NV235 | 90~120 | 3HP | 2D CAD | 수직 | ||
| 39 | 2.2KW | NV270 | 120 | 3HP | 2D CAD | 수직 | ||
| 40 | 2.2KW | NV172+NV270 | 150~300 | 3HP | 2D CAD | 수직 |
